Videodeurbel Hikvision DS-KIS101-P 2x Buitenpaneel 2x Monitor
- Geheugenkaartslot: Nee
- Aantal abonnees: 1
- Schermgrootte [inch]: 7
Bestanden bijgevoegd bij het product toon bestanden
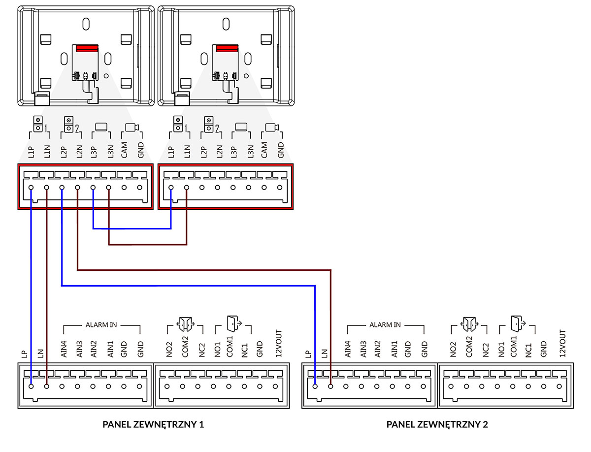
Bestanden om te downloaden
-
Maat: 0,14 MB
-
Schemat podłączenia elektrozaczepu
Maat: 0,57 MB
-
Maat: 2,28 MB
Prijs (inclusief BTW):
Archiefproduct
Najniższy koszt dostawy: 8,26 zł
Vertegenwoordigt u een budgettaire eenheid?
Controleer de mogelijkheid om gebruik te maken van uitgestelde betaling.
Gerelateerde producten
Productbeschrijving
- 2-draads installatie
- Twee externe panelen
- Twee monitoren
- 7'' TFT-scherm
- Schermresolutie - 1024 x 600
- Extern paneel met FullHD camera
- Nachtzicht in kleur
- Omnidirectionele microfoon voor geluidskwaliteit
- Beschermingsklasse IP65
- IK07 gecertificeerd voor schadebestendigheid
- Opbouw
- Bediening van twee uitgangen (twee wickets of wicket + poort)
Het video-intercomsysteem DS-KIS101-P is een uitstekende keuze voor wie extra verificatie van de bezoekers van zijn eigendom wenst. Het 7" LCD-kleurenscherm dat geïntegreerd is in de buitenpost biedt videobewaking in fullHD-kwaliteit en tweeweg audiocommunicatie die voldoet aan de hoogste normen dankzij de omnidirectionele microfoon.
Bovendien heeft het externe paneel twee relais om de uitgangen te bedienen, waardoor het mogelijk is om twee wickets of een wicket + poortaandrijving te bedienen. Bovendien wordt één uitgang gevoed met 1A 12V.
LAAG STROOMVERBRUIK
De KIS101-P kit bestaat uit componenten met een laag stroomverbruik. Het externe paneel heeft een maximaal verbruik van 12W (tijdens conversatie) en de monitor een maximaal verbruik van 5W (tijdens wake-up).
DUBBELE UITGANGSWERKING
Het externe paneel heeft twee ingebouwde relais om elektrosloten of een aandrijving te bedienen:
- Twee wickets
- Een wicket + een poortaandrijving
- FullHD 2Mpx camera
- Kijkhoek: Horizontaal - 100° / Verticaal - 69°
- Ingebouwde omni-directionele microfoon
- Ingebouwde luidspreker
- Volumeregeling
- Nachtmodus in kleur
- 2 relaisuitgangen (één met 12V 1A voeding)
- 2-draads interface
- 4 alarmingangen
- Beschermingsgraad IP65
- Weerstand tegen mechanische schade klasse IK07
- Afmetingen: 150 x 82 x 23,5 mm
- Omgevingsomstandigheden: -30°C tot +60°C / Vochtigheid 10% - 90%

KLEUR NACHTMODUS
Dankzij de nieuwste technologie kan het buitenpaneel 's nachts video in kleur bekijken.

BEELD VAN HOGE KWALITEIT
De nieuwste cameratechnologieën in combinatie met geavanceerde optica leveren beelden van hoge kwaliteit met een uitstekende scherpte in vergelijking met panelen met camera's met een lagere resolutie. De FullHD videovoorbeeldkwaliteit zorgt ervoor dat zelfs het kleinste detail op de video wordt vastgelegd.

Kit bevat:
- Extern paneel - DS-KV1101-IME2 ( 2 stuks ).
- Monitor - DS-KH1200 ( 2st )
- Voeding ( 2st )
- Gebruikershandleiding
Szczegóły dotyczące zgodności produktu z przepisami: Osoba odpowiedzialna za produkt
Odpowiedzialność za produkt
HIKVISION POLAND Sp. z o.o.
Żwirki I Wigury 16B
02-092 Warszawa
info.pl@hikvision.com
Producten uit dezelfde categorie
Snelle online offerte
Gebruik onze calculators voor een offerte. Vul het formulier in - Onze consultants zullen een op maat gemaakte aanbieding voorbereiden
-
Offerte formulier
Gebruik ons tool voor de beoordeling van bewaking, geef basisinformatie en ontvang de aanbieding direct per e-mail
Bekijk
-
Offerte formulier
Controleer wat de installatie van een alarm kost, geef basisinformatie en ontvang de aanbieding direct per e-mail
Bekijk
-
Offerte formulier
Beoordeel het toegangscontrolesysteem in elk gebouw. voor verschillende zones en gebieden met elke vorm van identificatie
Bekijk
-
Offerte formulier
Ontvang een schatting van de kosten voor een dubbele, schuif-, garagepoort voor uw gebouw of eigendom
Bekijk
Onze aanbevelingen
- Stadsbewaking
- Huisbewaking
- Wijkbewaking
- Winkelbewaking
- Apotheekbewaking
- Parkeerbewaking
- Kantoorbewaking
- Schoolbewaking
- Magazijnbewaking
- Benzinestationbewaking
- Harde schijf capaciteitscalculator
- Lens brandpuntsafstand calculator
- Uitgebreide expertondersteuning
- Efficiënte orderverwerking
- Concurrerende prijzen, promoties en kortingen
- 17 jaar op de markt









