Aansluiting van de deur op het Hikvision video-intercomsysteem DS-KIS101-P, DS-KIS703-P, DS-KIS604-S
Bericht van de dag: 08-08-2022
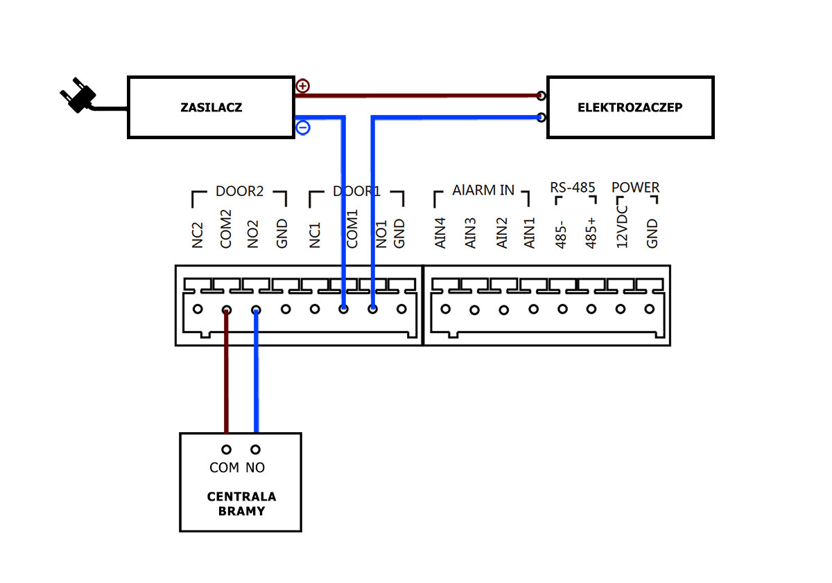
Aansluiting gatewaybedieningspaneel:
Aansluiting gatewaybedieningspaneel:
DS-KIS101-P video intercom:

DS-KIS703-P video intercom:

DS-KIS604-S video intercom


DS-KIS703-P video intercom:

DS-KIS604-S video intercom

Overige berichten
Merkenzone
Onze aanbevelingen
- Stadsbewaking
- Huisbewaking
- Wijkbewaking
- Winkelbewaking
- Apotheekbewaking
- Parkeerbewaking
- Kantoorbewaking
- Schoolbewaking
- Magazijnbewaking
- Benzinestationbewaking
- Harde schijf capaciteitscalculator
- Lens brandpuntsafstand calculator
- Uitgebreide expertondersteuning
- Efficiënte orderverwerking
- Concurrerende prijzen, promoties en kortingen
- 17 jaar op de markt