Aansluiting elektrische deuropener voor Hikvision video-intercomsysteem DS-KIS202, DS-KIS101-P, DS-KIS603-P, DS-KIS604-S, DS-KIS703-P
Bericht van de dag: 16-11-2020
Aansluiting elektrische deuropener:
Video-intercom DS-KIS202:

DS-KIS703-P video intercom:

DS-KIS603-P video intercom

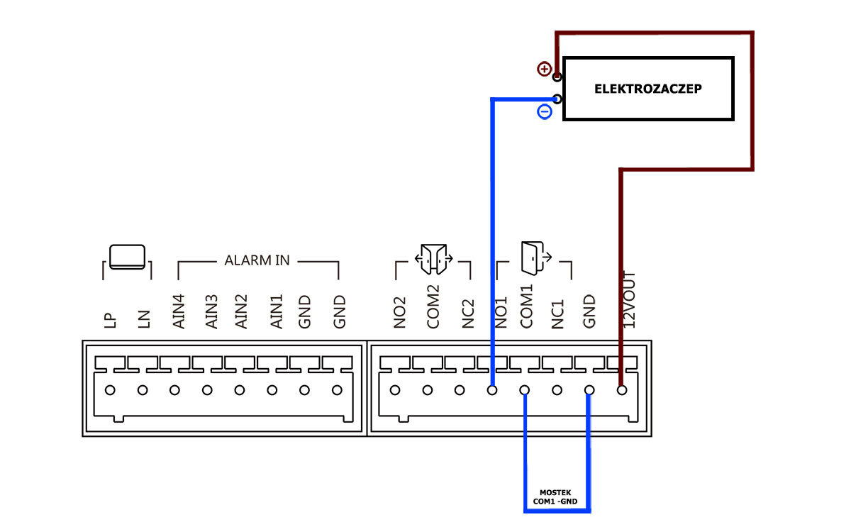
DS-KIS604-S video intercom

Aansluiting elektrische deuropener:
Video-intercom DS-KIS202:

DS-KIS101-P video-intercom (voeding van de deuropener via het stopcontact):
DS-KIS101-P video-intercom (voeding van de deuropener via het buitenpaneel):


DS-KIS703-P video intercom:

DS-KIS603-P video intercom

DS-KIS604-S video intercom

Overige berichten
Merkenzone
Onze aanbevelingen
- Stadsbewaking
- Huisbewaking
- Wijkbewaking
- Winkelbewaking
- Apotheekbewaking
- Parkeerbewaking
- Kantoorbewaking
- Schoolbewaking
- Magazijnbewaking
- Benzinestationbewaking
- Harde schijf capaciteitscalculator
- Lens brandpuntsafstand calculator
- Uitgebreide expertondersteuning
- Efficiënte orderverwerking
- Concurrerende prijzen, promoties en kortingen
- 17 jaar op de markt